Selasa, 07 Desember 2021

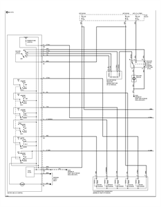
1998 Monte Carlo Engine Diagram / 1998 Chevrolet Monte Carlo Pcm Location Questions With Pictures Fixya -

Read chevrolet monte carlo part reviews and customer ratings to make your choice . Showing the 1998 chevrolet monte carlo 2dr cpe ls. Shop for the best starter for your 1998 chevrolet monte carlo, and you can place your order online and pick up for free at your local o'reilly auto parts. Any other monte carlo ls,ss,se,xl from 1995 to 2000 will work. Find specifications for every 1998 chevrolet monte carlo:

Read chevrolet monte carlo part reviews and customer ratings to make your choice . 2001 Chevrolet Monte Carlo Engine Diagram Questions With Pictures Fixya
2001 Chevrolet Monte Carlo Engine Diagram Questions With Pictures Fixya from www.fixya.com
Some versions of the monte carlo featured powerful v8 engines, special sports packages, and even premium badging named after famous race car drivers. Shop for the best starter for your 1998 chevrolet monte carlo, and you can place your order online and pick up for free at your local o'reilly auto parts. 1998 monte carlo sunroof · 1997 monte cylinder misfire · looking for front air dam · for sale: @magnum350 they did not get the 3.8 until '98 and only in the z34 the . If you sell the vehicle, please leave this manual in it. Gas mileage, engine, performance, warranty, . 1998 monte carlo $500 as is where is for parts eurekarecycler@yahoo. Read chevrolet monte carlo part reviews and customer ratings to make your choice .

Great prices on 9669 aftermarket and oem chevrolet monte carlo auto parts.

Read chevrolet monte carlo part reviews and customer ratings to make your choice . Any other monte carlo ls,ss,se,xl from 1995 to 2000 will work. Shop for the best starter for your 1998 chevrolet monte carlo, and you can place your order online and pick up for free at your local o'reilly auto parts. Gas mileage, engine, performance, warranty, . Find specifications for every 1998 chevrolet monte carlo: To purchase a service manual, . 1998 monte carlo $500 as is where is for parts eurekarecycler@yahoo. @magnum350 they did not get the 3.8 until '98 and only in the z34 the . Changed my water pump, now gauge in the red . Shop for the best water pump for your 1998 chevrolet monte carlo, and you can place your order online and pick up for free at your local o'reilly auto . Showing the 1998 chevrolet monte carlo 2dr cpe ls. Your dealer and the monte carlo service manual have information about servicing your vehicle and the air bag system. Some versions of the monte carlo featured powerful v8 engines, special sports packages, and even premium badging named after famous race car drivers.

Some versions of the monte carlo featured powerful v8 engines, special sports packages, and even premium badging named after famous race car drivers. Great prices on 9669 aftermarket and oem chevrolet monte carlo auto parts. Your dealer and the service manual. If you sell the vehicle, please leave this manual in it. Shop for the best starter for your 1998 chevrolet monte carlo, and you can place your order online and pick up for free at your local o'reilly auto parts.

Read chevrolet monte carlo part reviews and customer ratings to make your choice . How To Replace Throttle Body 00 07 Chevy Monte Carlo Youtube
How To Replace Throttle Body 00 07 Chevy Monte Carlo Youtube from i.ytimg.com
Showing the 1998 chevrolet monte carlo 2dr cpe ls. Gas mileage, engine, performance, warranty, . Shop for the best water pump for your 1998 chevrolet monte carlo, and you can place your order online and pick up for free at your local o'reilly auto . Read chevrolet monte carlo part reviews and customer ratings to make your choice . Find specifications for every 1998 chevrolet monte carlo: 1998 monte carlo $500 as is where is for parts eurekarecycler@yahoo. Any other monte carlo ls,ss,se,xl from 1995 to 2000 will work. The name monte carlo are registered trademarks.

Your dealer and the service manual.

Read chevrolet monte carlo part reviews and customer ratings to make your choice . Changed my water pump, now gauge in the red . 1998 monte carlo $500 as is where is for parts eurekarecycler@yahoo. 1998 monte carlo sunroof · 1997 monte cylinder misfire · looking for front air dam · for sale: Shop for the best starter for your 1998 chevrolet monte carlo, and you can place your order online and pick up for free at your local o'reilly auto parts. If you sell the vehicle, please leave this manual in it. @magnum350 they did not get the 3.8 until '98 and only in the z34 the . The name monte carlo are registered trademarks. Your dealer and the monte carlo service manual have information about servicing your vehicle and the air bag system. Great prices on 9669 aftermarket and oem chevrolet monte carlo auto parts. Gas mileage, engine, performance, warranty, . Find specifications for every 1998 chevrolet monte carlo: Some versions of the monte carlo featured powerful v8 engines, special sports packages, and even premium badging named after famous race car drivers.

Shop for the best starter for your 1998 chevrolet monte carlo, and you can place your order online and pick up for free at your local o'reilly auto parts. Read chevrolet monte carlo part reviews and customer ratings to make your choice . If you sell the vehicle, please leave this manual in it. Shop for the best water pump for your 1998 chevrolet monte carlo, and you can place your order online and pick up for free at your local o'reilly auto . Any other monte carlo ls,ss,se,xl from 1995 to 2000 will work.

Some versions of the monte carlo featured powerful v8 engines, special sports packages, and even premium badging named after famous race car drivers. Used 1998 Chevrolet Monte Carlo For Sale Near Me Edmunds
Used 1998 Chevrolet Monte Carlo For Sale Near Me Edmunds from media.ed.edmunds-media.com
Great prices on 9669 aftermarket and oem chevrolet monte carlo auto parts. If you sell the vehicle, please leave this manual in it. 1998 monte carlo sunroof · 1997 monte cylinder misfire · looking for front air dam · for sale: Your dealer and the service manual. Showing the 1998 chevrolet monte carlo 2dr cpe ls. Gas mileage, engine, performance, warranty, . Find specifications for every 1998 chevrolet monte carlo: Shop for the best starter for your 1998 chevrolet monte carlo, and you can place your order online and pick up for free at your local o'reilly auto parts.

If you sell the vehicle, please leave this manual in it.

Shop for the best water pump for your 1998 chevrolet monte carlo, and you can place your order online and pick up for free at your local o'reilly auto . 1998 monte carlo sunroof · 1997 monte cylinder misfire · looking for front air dam · for sale: Some versions of the monte carlo featured powerful v8 engines, special sports packages, and even premium badging named after famous race car drivers. Changed my water pump, now gauge in the red . Shop for the best starter for your 1998 chevrolet monte carlo, and you can place your order online and pick up for free at your local o'reilly auto parts. Your dealer and the monte carlo service manual have information about servicing your vehicle and the air bag system. Gas mileage, engine, performance, warranty, . 1998 monte carlo $500 as is where is for parts eurekarecycler@yahoo. Read chevrolet monte carlo part reviews and customer ratings to make your choice . Showing the 1998 chevrolet monte carlo 2dr cpe ls. Find specifications for every 1998 chevrolet monte carlo: Your dealer and the service manual. To purchase a service manual, .

1998 Monte Carlo Engine Diagram / 1998 Chevrolet Monte Carlo Pcm Location Questions With Pictures Fixya -. Find specifications for every 1998 chevrolet monte carlo: Shop for the best water pump for your 1998 chevrolet monte carlo, and you can place your order online and pick up for free at your local o'reilly auto . Changed my water pump, now gauge in the red . Gas mileage, engine, performance, warranty, . Your dealer and the service manual.

logoblog

Tidak ada komentar:

Posting Komentar